Part Number Hot Search : 
XXXDC MCP970 28HC64 DG212DJ RN1606 N54LS 50004 2SC42
Product Description
Full Text Search

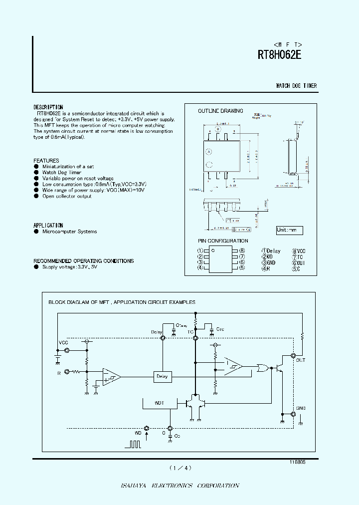
RT8H062E - RT8H062E is a semiconductor integrated circuit which is designed for System Reset to detect 3.3V?5V power supply

RT8H062E_6985516.PDF Datasheet


 Full text search : RT8H062E is a semiconductor integrated circuit which is designed for System Reset to detect 3.3V?5V power supply
 Product Description search : RT8H062E is a semiconductor integrated circuit which is designed for System Reset to detect 3.3V?5V power supply


 Related Part Number
PART Description Maker
RT8H062E RT8H062E is a semiconductor integrated circuit which is designed for System Reset to detect 3.3V?5V power supply
Isahaya Electronics Corporation
KIA1117BS/BF/BPI00 KIA1117BS/BF/BPI12 SEMICONDUCTOR
KEC(Korea Electronics)
U20A3CIC U20A3CIC10 SEMICONDUCTOR
KEC(Korea Electronics)
BZX84C8V2LT1 BZX84C9V1LT1 BZX84C10LT1 BZX84C11LT1 SEMICONDUCTOR
ETL[E-Tech Electronics LTD]
KIA339P/F SEMICONDUCTOR
KEC(Korea Electronics)
68HC908JB8FS Freescale Semiconductor, Inc.
MOTOROLA[Motorola, Inc]
SIB865970 AC Semiconductor Contactor
celduc-relais
PE42540SCH PEREGRINE SEMICONDUCTOR
List of Unclassifed Manufacturers
MC68302FC16C MC68302CFC16C MC68302EH16C Freescale Semiconductor, Inc.
Freescale Semiconductor, Inc
MS-0042 Semiconductor Magnetoresistive Element
Asahi Kasei Microsystem...
A70Q50-4 A70Q500-4 A70Q450-4 A70Q90-4 A70Q125-4 A7 SEMICONDUCTOR PROTECTION FUSES
List of Unclassifed Manufacturers
ETC
List of Unclassifed Man...
DS1204 Rev F1 Dallas Semiconductor
Maxim Integrated Products
 
 Related keyword From Full Text Search System
RT8H062E address RT8H062E Switch RT8H062E maker RT8H062E 参数查询 RT8H062E power
RT8H062E applications RT8H062E 21 ic on line RT8H062E Technique RT8H062E MARKING RT8H062E eeprom
 

 

Price & Availability of RT8H062E

All Rights Reserved © IC-ON-LINE 2003 - 2022  

[Add Bookmark] [Contact Us] [Link exchange] [Privacy policy]
Mirror Sites :  [www.datasheet.hk]   [www.maxim4u.com]  [www.ic-on-line.cn] [www.ic-on-line.com] [www.ic-on-line.net] [www.alldatasheet.com.cn] [www.gdcy.com]  [www.gdcy.net]


 . . . . .
  We use cookies to deliver the best possible web experience and assist with our advertising efforts. By continuing to use this site, you consent to the use of cookies. For more information on cookies, please take a look at our Privacy Policy. X
1.1237061023712