Part Number Hot Search : 
MD181107 AHA3410C OPI8013 RUS140 CM3404 NTE30 STRLP CX9SM
Product Description
Full Text Search

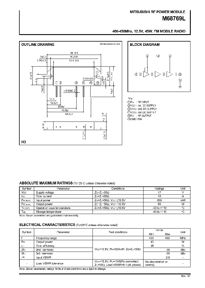
M68769L - From old datasheet system 400-450MHz, 12.5V, 45W, FM MOBILE RADIO

M68769L_574351.PDF Datasheet


 Full text search : From old datasheet system 400-450MHz, 12.5V, 45W, FM MOBILE RADIO
 Product Description search : From old datasheet system 400-450MHz, 12.5V, 45W, FM MOBILE RADIO


 Related Part Number
PART Description Maker
BA1450S A5801016 Audio LSIs > High frequency signal processing > Tuner system
AM radio / FM IF stereo system IC
From old datasheet system
ROHM[Rohm]
BA3940A A5800926 Regulator LSIs > System regulator > BA392X/BA393X/BA394X/BA395X/BA396X series
From old datasheet system
System power supply for CD radio cassette players 系统CD收音录音机的电源
Rohm CO.,LTD.
Rohm Co., Ltd.
MT9M112 From old datasheet system
1/4-Inch, 1.3 Megapixel CMOS Image Sensor System-on-Chip
MICRON[Micron Technology]
M52335SP M52335E M52335 From old datasheet system
NTSC SYSTEM SINGLE-CHIP COLOR TV SIGNAL PROCESSOR
MITSUBISHI[Mitsubishi Electric Semiconductor]
STPCC5HEBC STPCC5HEBI STPCC4HEBI STPCCONSUMER-II S From old datasheet system
X86 Core PC Compatible Information Appliance System-on-Chip
STMICROELECTRONICS[STMicroelectronics]
TC9314F-026 EE08715 TC9314F From old datasheet system
SINGLE CHIP DIGITAL TUNNING SYSTEM FOR CD RADIO CASSETTE
http://
Toshiba Semiconductor
E008252 TC9314F-017 From old datasheet system
SINGLE CHIP DIGITAL TUNING SYSTEM FOR CD RADIO CASSETTE
Toshiba
TC9090AF TC9090AN E005346 MULTICOLOR SYSTEM VERSION 3-LINE DIGITAL Y / C SEPARATION IC
From old datasheet system
Toshiba
DS1680 1680 Portable System Controller For Touch-Screen Applications
From old datasheet system
Dallas
PSD935G2V PSD935G2 7837 PSD935G3V-C-90UI PSD913F2 From old datasheet system
CONFIGURABLE MEMORY SYSTEM ON A CHIP FOR 8-BIT MICROCONTROLLERS
STMICROELECTRONICS[STMicroelectronics]
 
 Related keyword From Full Text Search System
M68769L terminal M68769L Ic-on-line M68769L Series M68769L Price M68769L 参数查询
M68769L Silicon M68769L vsen gate M68769L filetype:pdf M68769L regulator M68769L Server
 

 

Price & Availability of M68769L

All Rights Reserved © IC-ON-LINE 2003 - 2022  

[Add Bookmark] [Contact Us] [Link exchange] [Privacy policy]
Mirror Sites :  [www.datasheet.hk]   [www.maxim4u.com]  [www.ic-on-line.cn] [www.ic-on-line.com] [www.ic-on-line.net] [www.alldatasheet.com.cn] [www.gdcy.com]  [www.gdcy.net]


 . . . . .
  We use cookies to deliver the best possible web experience and assist with our advertising efforts. By continuing to use this site, you consent to the use of cookies. For more information on cookies, please take a look at our Privacy Policy. X
1.6411199569702