Part Number Hot Search : 
CD5292 C143E T4115 74ACT MT92210 VL2330 BC858A 74ALS
Product Description
Full Text Search

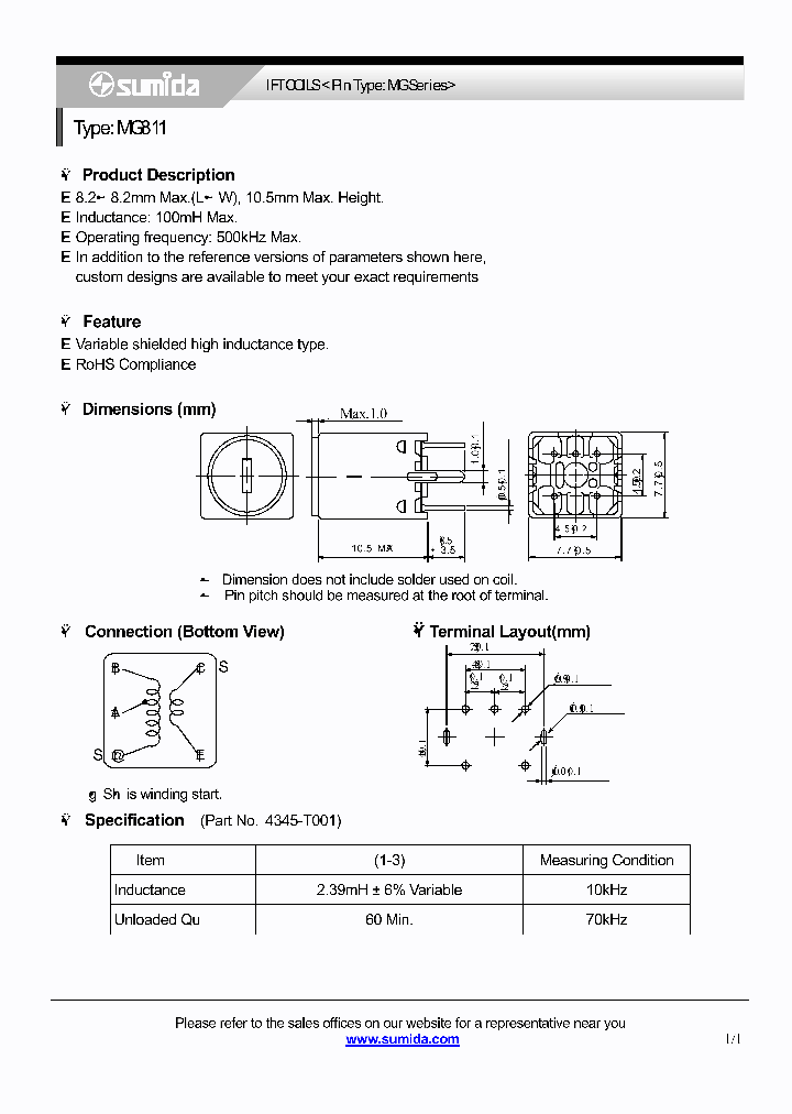
MG811 - IFT COILS

MG811_4221585.PDF Datasheet


 Full text search : IFT COILS
 Product Description search : IFT COILS


 Related Part Number
PART Description Maker
P-7LFJ IFT COILS
Sumida Corporation
MC-108 IFT COILS
Sumida Corporation
SM-10C IFT COILS
Sumida Corporation
P-5DJSW P-5DJFM P-5DJAM P-5DJMW P-5DJ/FM P-5DJ/MW IFT COILS < P-5DJ Series>
IFT COILS P-5DJ Series
Sumida Corporation
P-4SBFM P-4SBAM P-4SB_AM P-4SB_FM P-4SB/AM P-4SB/F IFT COILS , Pin Type: P-4 Series
IFT COILS Pin Type: P-4 Series
Sumida Corporation
3152-T023 3151-T028 3153-T013 3150-T043 IFT COILS Pin Type: PG Series
IFT COILS , Pin Type: PG Series
Sumida Corporation
KS1399N KS1412N KS1411N KS1410N KS1390N 7mm ADJUSTABLE IFT COILS (II) (SHIELDED)
Frontier Electronics.
TCACL0.83.18.5 TCACR0.83.18.5 TCAC Air Coils Inductors Spring Coils
Token Electronics Industry Co., Ltd.
SMD58 IFT & RF COIL
LS Communication
KM51A1202N KM51A1202N-LFR KM51A1203N KM51A1203N-LF 5mm Adjustable shielded IFT Coil
http://
Frontier Electronics.
KS1390N KS1390N-LFR KS1391N KS1391N-LFR KS1400N-LF 7mm Adjustable shielded IFT Coil (II)
Frontier Electronics.
 
 Related keyword From Full Text Search System
MG811 microchip MG811 Reset MG811 signal MG811 Reset MG811 frequency
MG811 PDF MG811 band MG811 Cirkuit diagram MG811 description MG811 电子元件中文资料网站
 

 

Price & Availability of MG811

All Rights Reserved © IC-ON-LINE 2003 - 2022  

[Add Bookmark] [Contact Us] [Link exchange] [Privacy policy]
Mirror Sites :  [www.datasheet.hk]   [www.maxim4u.com]  [www.ic-on-line.cn] [www.ic-on-line.com] [www.ic-on-line.net] [www.alldatasheet.com.cn] [www.gdcy.com]  [www.gdcy.net]


 . . . . .
  We use cookies to deliver the best possible web experience and assist with our advertising efforts. By continuing to use this site, you consent to the use of cookies. For more information on cookies, please take a look at our Privacy Policy. X
1.7760899066925