Part Number Hot Search : 
GBJ35 74HC1 HL11W BR305 TS902 C7132M SG6932D P6KE47C
Product Description
Full Text Search

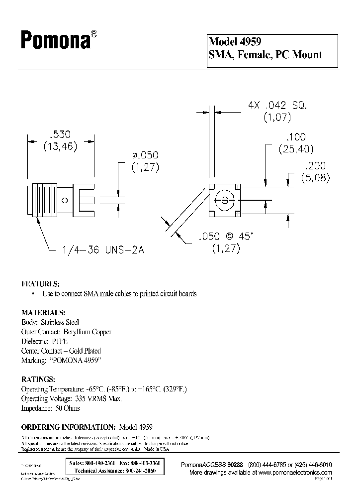
4959 - SMA, Female, PC Mount

4959_5055241.PDF Datasheet


 Full text search : SMA, Female, PC Mount
 Product Description search : SMA, Female, PC Mount


 Related Part Number
PART Description Maker
73251-0900 73251-0840 73251-1020 73251-1000 732510900 PANEL MOUNT, CABLE TERMINATED, FEMALE, SMA CONNECTOR, RECEPTACLE
Receptacle SMA Jack Flg .020 Pin PANEL MOUNT, CABLE TERMINATED, FEMALE, SMA CONNECTOR, RECEPTACLE
Receptacle SMA Jack 2H Flg .012 Pin PANEL MOUNT, CABLE TERMINATED, FEMALE, SMA CONNECTOR, RECEPTACLE
Receptacle SMA Jack 2H Flg .015 Pin
Molex, Inc.
MOLEX INC
73251-0250 SMA JACK 2 HOLE FLANGE W/SOLDER POT PANEL MOUNT, FEMALE, SMA CONNECTOR, SOLDER, RECEPTACLE
Molex, Inc.
73251-0180 Receptacle SMA Jack 2H Flg .020 Pin PANEL MOUNT, CABLE TERMINATED, FEMALE, SMA CONNECTOR, RECEPTACLE
Molex, Inc.
PE7407-6 6 dB Fixed Attenuator, SMA Female To SMA Female Directional Black Aluminum Heatsink Body Rated To 300 Watts Up To 3 GHz
Pasternack Enterprises,...
PE7407-20 20 dB Fixed Attenuator, SMA Female To SMA Female Directional Black Aluminum Heatsink Body Rated To 300 Watts Up To 3 GHz
Pasternack Enterprises,...
PE7407-40 40 dB Fixed Attenuator, SMA Female To SMA Female Directional Black Aluminum Heatsink Body Rated To 300 Watts Up To 3 GHz
Pasternack Enterprises,...
PE34917LF CABLE ASSEMBLY PE-020SR SMA FEMALE TO SMA FEMALE(LEAD FREE)
Pasternack Enterprises, Inc.
PE33864LF CABLE ASSEMBLY PE-SR402FL SMA FEMALE BULKHEAD TO SMA FEMALE BULKHEAD(LEAD FREE)
Pasternack Enterprises, Inc.
SMA6551C1-3GT50G-0.5-50 PANEL MOUNT, FEMALE, SMA CONNECTOR, JACK
AMPHENOL CORP
FLA-H-SRF15G PANEL MOUNT, FEMALE, SMA CONNECTOR, TAB, RECEPTACLE
HONDA TSUSHIN KOGYO CO LTD
 
 Related keyword From Full Text Search System
4959 relay 4959 eeprom 4959 speech voice 4959 frequency 4959 UNITED CHEMI CON
4959 hot 4959 Application 4959 processor 4959 usb-hs otg 4959 Level
 

 

Price & Availability of 4959

All Rights Reserved © IC-ON-LINE 2003 - 2022  

[Add Bookmark] [Contact Us] [Link exchange] [Privacy policy]
Mirror Sites :  [www.datasheet.hk]   [www.maxim4u.com]  [www.ic-on-line.cn] [www.ic-on-line.com] [www.ic-on-line.net] [www.alldatasheet.com.cn] [www.gdcy.com]  [www.gdcy.net]


 . . . . .
  We use cookies to deliver the best possible web experience and assist with our advertising efforts. By continuing to use this site, you consent to the use of cookies. For more information on cookies, please take a look at our Privacy Policy. X
1.8685340881348