Part Number Hot Search : 
EM55650 ADC87 UPC648 FC40S 2470AP LS256 B0J475M LK1005
Product Description
Full Text Search

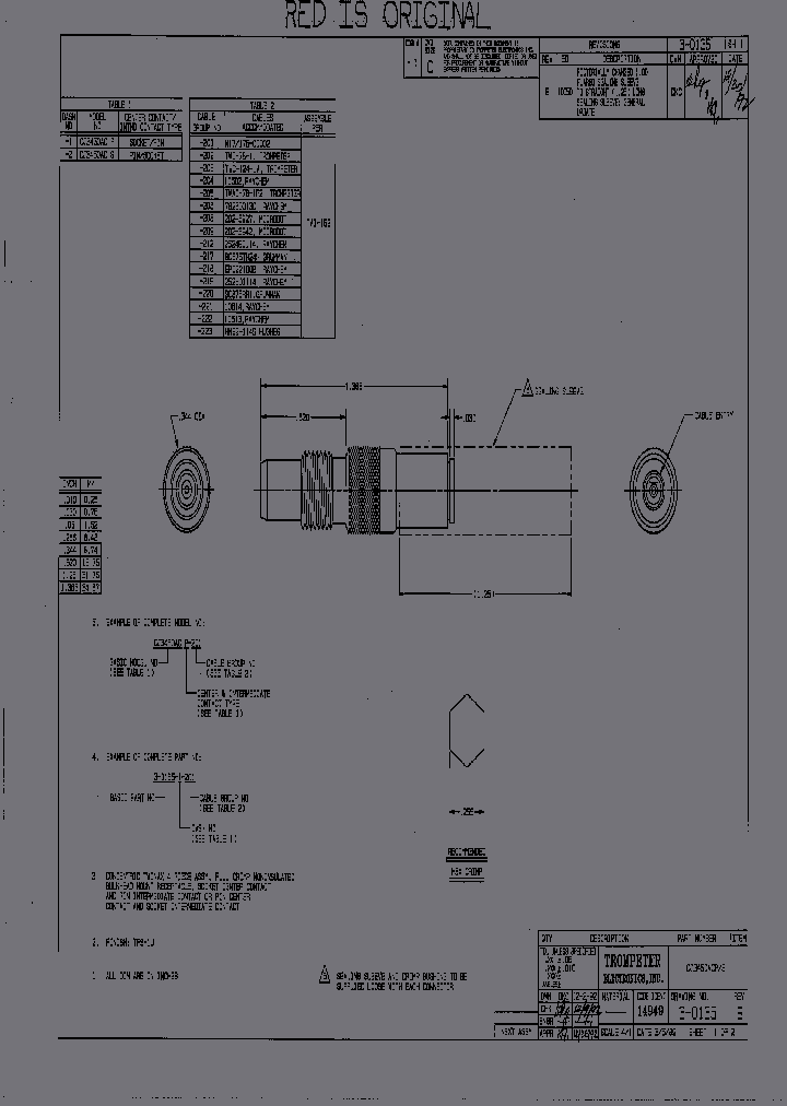
CJ3450ACP-208 - PANEL MOUNT, CABLE TERMINATED, MALE, TWINAXIAL CONNECTOR, CRIMP, RECEPTACLE

CJ3450ACP-208_3822869.PDF Datasheet


 Full text search : PANEL MOUNT, CABLE TERMINATED, MALE, TWINAXIAL CONNECTOR, CRIMP, RECEPTACLE
 Product Description search : PANEL MOUNT, CABLE TERMINATED, MALE, TWINAXIAL CONNECTOR, CRIMP, RECEPTACLE


 Related Part Number
PART Description Maker
FAZ.T75.FTCC12C FAZ.T75.FTCC11CZ FAZ.T75.FTCC15CZ PANEL MOUNT, CABLE TERMINATED, FEMALE, RF CONNECTOR, SOLDER, SOCKET
CABLE TERMINATED, MALE, RF CONNECTOR, CRIMP, PLUG
PANEL MOUNT, CABLE TERMINATED, FEMALE, RF CONNECTOR, CLAMP, SOCKET
PANEL MOUNT, CABLE TERMINATED, MALE, RF CONNECTOR, CLAMP, PLUG

MU02D1000 M702P0050 MU13P1100 MU33P1100 METHODEELE CABLE TERMINATED, UHF CONNECTOR
BOARD TERMINATED, RF CONNECTOR, SOLDER
PANEL MOUNT, RF CONNECTOR
CABLE TERMINATED, RF CONNECTOR
PANEL MOUNT, UHF CONNECTOR
METHODE ELECTRONICS INC
POB-LP-141 POB-PJ-85 POB-P-85 POB-LP-85 POB-J-141 CABLE TERMINATED, MALE, RF CONNECTOR, SOLDER, PLUG
PANEL MOUNT, CABLE TERMINATED, FEMALE, RF CONNECTOR, SOLDER, JACK
HIROSE ELECTRIC Co., Ltd.
D51-B53-9004EAA D51-B51-9001GBA D55-B24-3058GDA PANEL MOUNT, BOARD TERMINATED, FEMALE, RF CONNECTOR, SOLDER, JACK
CABLE TERMINATED, MALE, RF CONNECTOR, CRIMP, PLUG
ITT CANNON
32S247-302F3 32K221-200S3 CABLE TERMINATED, MALE, SMA CONNECTOR, CRIMP/SOLDER, PLUG
PANEL MOUNT, CABLE TERMINATED, FEMALE, SMA CONNECTOR, SOLDER, JACK
ROSENBERGER HOCHFREQUENZTECHNIK GMBH & CO KG
105-1439-18 9-19 PANEL MOUNT, CABLE TERMINATED, FEMALE, BNC CONNECTOR, CRIMP, RECEPTACLE
CABLE TERMINATED, MALE, BNC CONNECTOR, CRIMP, PLUG
TROMPETER ELECTRONICS INC
SMB1421A1-002-NT30G-5-50 PANEL MOUNT, CABLE TERMINATED, MALE, SMB
AMPHENOL CORP
BJ139-37BR PANEL MOUNT, CABLE TERMINATED, FEMALE, RF CONNECTOR, JACK
TROMPETER ELECTRONICS INC
A016-D76-01 PANEL MOUNT, CABLE TERMINATED, MALE, BLINDMATE CONNECTOR

305-1353-12 PANEL MOUNT, CABLE TERMINATED, FEMALE, TRIAXIAL CONNECTOR, RECEPTACLE
TROMPETER ELECTRONICS INC
R222.221.702 PANEL MOUNT, CABLE TERMINATED, MALE, RF CONNECTOR, SOLDER, JACK
RADIALL S A
 
 Related keyword From Full Text Search System
CJ3450ACP-208 Semiconductor CJ3450ACP-208 中文 CJ3450ACP-208 MUX HCSL CJ3450ACP-208 saw filter CJ3450ACP-208 external rom
CJ3450ACP-208 speed CJ3450ACP-208 データシート CJ3450ACP-208 资料 CJ3450ACP-208 device CJ3450ACP-208 toshiba
 

 

Price & Availability of CJ3450ACP-208

All Rights Reserved © IC-ON-LINE 2003 - 2022  

[Add Bookmark] [Contact Us] [Link exchange] [Privacy policy]
Mirror Sites :  [www.datasheet.hk]   [www.maxim4u.com]  [www.ic-on-line.cn] [www.ic-on-line.com] [www.ic-on-line.net] [www.alldatasheet.com.cn] [www.gdcy.com]  [www.gdcy.net]


 . . . . .
  We use cookies to deliver the best possible web experience and assist with our advertising efforts. By continuing to use this site, you consent to the use of cookies. For more information on cookies, please take a look at our Privacy Policy. X
2.1150510311127