Part Number Hot Search : 
SUM11 SMC100A CDRH4D FHX13X 00BZXC NC1YPCK NJM4558D 20TTS
Product Description
Full Text Search

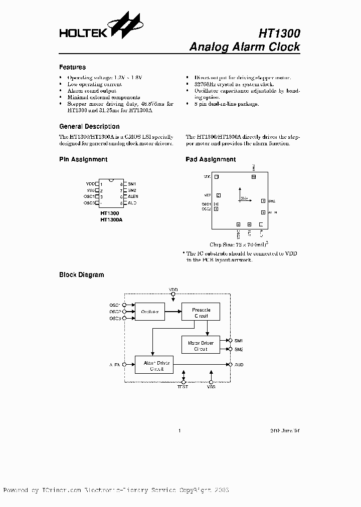
HT1300 - Clock Circuit

HT1300_6965287.PDF Datasheet


 Full text search : Clock Circuit
 Product Description search : Clock Circuit


 Related Part Number
PART Description Maker
EL5326IRZ-T7 EL5226 EL5226IR EL5226IR-T13 EL5226IR 10- and 12-Channel TFT-LCD Reference Voltage Generators SPECIALTY ANALOG CIRCUIT, PDSO28
3.3 V Dual PLL Multi-Clock Generator 20-SSOP/QSOP -25 to 85 SPECIALTY ANALOG CIRCUIT, PDSO28
Intersil, Corp.
INTERSIL[Intersil Corporation]
SY87700VSH CLOCK RECOVERY CIRCUIT, PQFP32
MICREL INC
SAA9057A Clock Signal Generator Circuit
Philips Semiconductors
CDR3300-00 CLOCK RECOVERY CIRCUIT, PQFP100
SIEMENS A G
HSDL-7001 HSDL-7001100 IR 3/16 Encode/ Decode IC with 16X Clock SPECIALTY TELECOM CIRCUIT, PDSO16
HSDL-7001 · IR 3/16 Encode/ Decode IC with 16X Clock Generator
Lite-On Technology, Corp.
Agilent (Hewlett-Packard)
STCD1020 STCD1020RDG6E STCD1030 STCD1030RDH6E STCD Multi-channel clock distribution circuit
STMicroelectronics
UT54ACTS220 Clock and Wait-State Generation Circuit
List of Unclassifed Manufacturers
ETC[ETC]
N.A.
SAA9057B SAA9057BT CLOCK SIGNAL GENERATOR CIRCUIT FOR DIGITAL TV SYSTEMS(CGC)
List of Unclassifed Manufacturers
ETC
N.A.
SAA7157 SAA7157T Clock signal generator circuit for digital TV systems SCGC
NXP Semiconductors
PHILIPS[Philips Semiconductors]
NTE1537 Integrated Circuit CMOS, Digital Frequency Indicator w/Clock LED Function
Integrated Circuit CMOS / Digital Frequency Indicator w/Clock LED Function
NTE[NTE Electronics]
VCC6-RAD-130M000 VCC6-RCA-48M000 VCC6-QAD-35M000 V CRYSTAL OSCILLATOR, CLOCK, 130 MHz, LVPECL OUTPUT
CRYSTAL OSCILLATOR, CLOCK, 48 MHz, LVPECL OUTPUT
CRYSTAL OSCILLATOR, CLOCK, 35 MHz, LVPECL OUTPUT
CRYSTAL OSCILLATOR, CLOCK, 175 MHz, LVPECL OUTPUT
CRYSTAL OSCILLATOR, CLOCK, 160 MHz, LVPECL OUTPUT
CRYSTAL OSCILLATOR, CLOCK, 250 MHz, LVPECL OUTPUT
CRYSTAL OSCILLATOR, CLOCK, 166 MHz, LVPECL OUTPUT
CRYSTAL OSCILLATOR, CLOCK, 90 MHz, LVPECL OUTPUT
CRYSTAL OSCILLATOR, CLOCK, 80 MHz, LVPECL OUTPUT
CRYSTAL OSCILLATOR, CLOCK, 145.221 MHz, LVPECL OUTPUT
CRYSTAL OSCILLATOR, CLOCK, 143 MHz, LVPECL OUTPUT
CRYSTAL OSCILLATOR, CLOCK, 40 MHz, LVPECL OUTPUT
CRYSTAL OSCILLATOR, CLOCK, 180 MHz, LVPECL OUTPUT
CRYSTAL OSCILLATOR, CLOCK, 105 MHz, LVPECL OUTPUT
CRYSTAL OSCILLATOR, CLOCK, 110 MHz, LVPECL OUTPUT
CRYSTAL OSCILLATOR, CLOCK, 156.256 MHz, LVPECL OUTPUT
CRYSTAL OSCILLATOR, CLOCK, 125 MHz, LVPECL OUTPUT
CRYSTAL OSCILLATOR, CLOCK, 165 MHz, LVPECL OUTPUT
CRYSTAL OSCILLATOR, CLOCK, 190 MHz, LVPECL OUTPUT
CRYSTAL OSCILLATOR, CLOCK, 50 MHz, LVPECL OUTPUT
CRYSTAL OSCILLATOR, CLOCK, 100 MHz, LVPECL OUTPUT
CRYSTAL OSCILLATOR, CLOCK, 64 MHz, LVPECL OUTPUT
CRYSTAL OSCILLATOR, CLOCK, 136 MHz, LVPECL OUTPUT
CRYSTAL OSCILLATOR, CLOCK, 156 MHz, LVPECL OUTPUT
CRYSTAL OSCILLATOR, CLOCK, 167 MHz, LVPECL OUTPUT
CRYSTAL OSCILLATOR, CLOCK, 171 MHz, LVPECL OUTPUT
CRYSTAL OSCILLATOR, CLOCK, 77.76 MHz, LVPECL OUTPUT
VECTRON INTERNATIONAL
 
 Related keyword From Full Text Search System
HT1300 controller HT1300 wire HT1300 reference HT1300 type HT1300 gaas
HT1300 参数 封装 HT1300 Signal HT1300 gate HT1300 command HT1300 availability
 

 

Price & Availability of HT1300

All Rights Reserved © IC-ON-LINE 2003 - 2022  

[Add Bookmark] [Contact Us] [Link exchange] [Privacy policy]
Mirror Sites :  [www.datasheet.hk]   [www.maxim4u.com]  [www.ic-on-line.cn] [www.ic-on-line.com] [www.ic-on-line.net] [www.alldatasheet.com.cn] [www.gdcy.com]  [www.gdcy.net]


 . . . . .
  We use cookies to deliver the best possible web experience and assist with our advertising efforts. By continuing to use this site, you consent to the use of cookies. For more information on cookies, please take a look at our Privacy Policy. X
1.7080941200256