Part Number Hot Search : 
S0212 32670 EM48AM L6717 XMLAWT RO2188A AK8170B 300A1
Product Description
Full Text Search

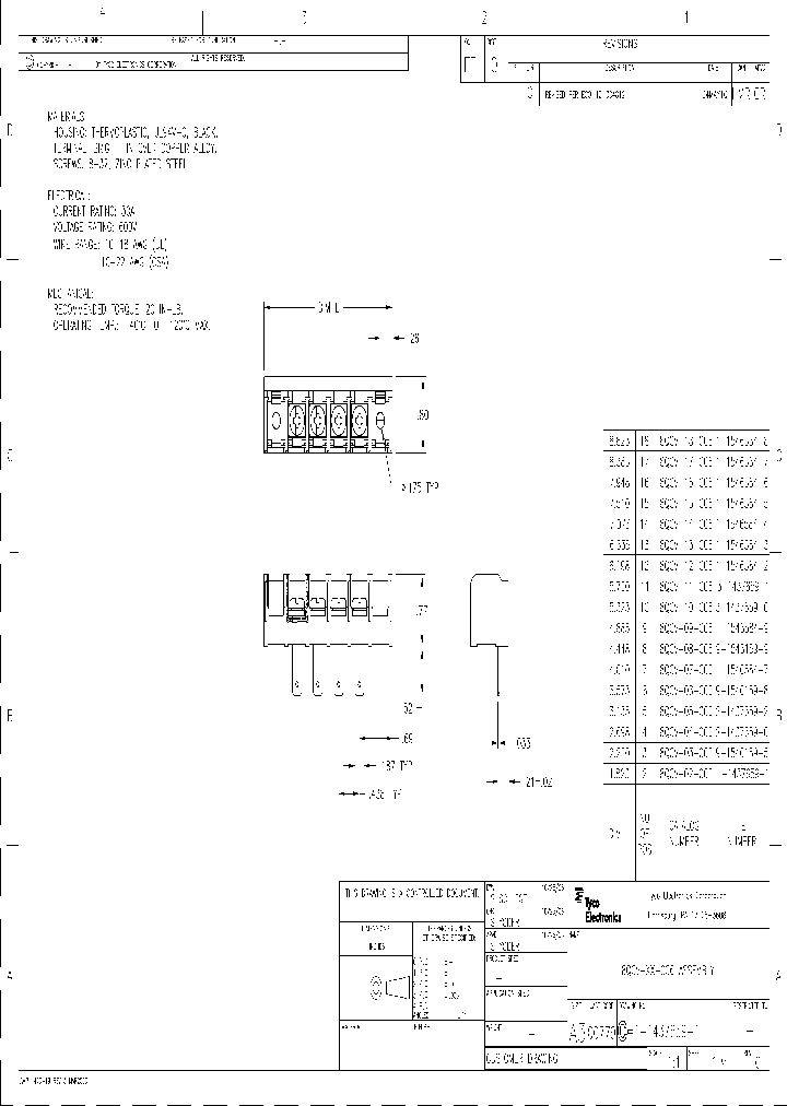
2-1437659-2 -    8QCV-XX-006 ASSEMBLY

2-1437659-2_8907459.PDF Datasheet


 Full text search :    8QCV-XX-006 ASSEMBLY
 Product Description search :    8QCV-XX-006 ASSEMBLY


 Related Part Number
PART Description Maker
2-1437653-5 6PCV-XX-006
Tyco Electronics
2-1437657-8 2-1437657-2 8PCR-XX-006 ASSEMBLY
Tyco Electronics
AP9412AGH 68 A, 30 V, 0.006 ohm, N-CHANNEL, Si, POWER, MOSFET, TO-252 ROHS COMPLIANT PACKAGE-3
Advanced Power Electronics, Corp.
811-005-07 Series 811 Mighty Mouse High Density (HD) Jam Nut P CB Receptacle Connectors 811-005-07 and 811-006-07 With S traight P C Tails
Glenair, Inc.
RJK0351DPA10 RJK0351DPA-00-J0 Silicon N Channel Power MOS FET Power Switching
40 A, 30 V, 0.006 ohm, N-CHANNEL, Si, POWER, MOSFET LEAD FREE, WPAK-8
Renesas Electronics Corporation
2-1437658-1    8PCV-XX-006 ASSEMBLY
Tyco Electronics
2-1437659-2 2-1437659-0    8QCV-XX-006 ASSEMBLY
Tyco Electronics
STP90NS04ZC 80 A, 33 V, 0.006 ohm, N-CHANNEL, Si, POWER, MOSFET, TO-220AB
N-channel clamped 5mヘ - 80A TO-220 Fully protected SAFeFET⑩ Power MOSFET
N-channel clamped 5mΩ - 80A TO-220 Fully protected SAFeFET Power MOSFET
STMicroelectronics
IXFH52N30Q IXFK52N30Q IXFT52N30Q    N-Channel Enhancement Mode Avalanche Rated, High dv/dt, Low t Low Gate Charge and Capacitances
From old datasheet system
N-Channel Enhancement Mode Avalanche Rated, High dv/dt, Low t Low Gate Charge and Capacitances 52 A, 300 V, 0.006 ohm, N-CHANNEL, Si, POWER, MOSFET, TO-268
IXYS[IXYS Corporation]
IXYS, Corp.
SPM4M024-100 SPC8M075-006 SPC8M045-010 SPC8M030-02 6 A, 1000 V, 2 ohm, 6 CHANNEL, N-CHANNEL, Si, POWER, MOSFET
Standard Industrial Grade MOSFET Power Modules 130 A, 60 V, 0.006 ohm, 4 CHANNEL, N-CHANNEL, Si, POWER, MOSFET
Standard Industrial Grade MOSFET Power Modules 120 A, 300 V, 0.035 ohm, 2 CHANNEL, N-CHANNEL, Si, POWER, MOSFET
Standard Industrial Grade MOSFET Power Modules 40 A, 600 V, 0.18 ohm, 4 CHANNEL, N-CHANNEL, Si, POWER, MOSFET
Standard Industrial Grade MOSFET Power Modules 350 A, 60 V, 0.003 ohm, N-CHANNEL, Si, POWER, MOSFET
Standard Industrial Grade MOSFET Power Modules 30 A, 200 V, 0.075 ohm, 6 CHANNEL, N-CHANNEL, Si, POWER, MOSFET
Standard Industrial Grade MOSFET Power Modules 45 A, 100 V, 0.03 ohm, 4 CHANNEL, N-CHANNEL, Si, POWER, MOSFET
Standard Industrial Grade MOSFET Power Modules 30 A, 200 V, 0.075 ohm, 4 CHANNEL, N-CHANNEL, Si, POWER, MOSFET
Standard Industrial Grade MOSFET Power Modules 300 A, 100 V, 0.005 ohm, N-CHANNEL, Si, POWER, MOSFET
Sensitron Semiconductor
http://
 
 Related keyword From Full Text Search System
2-1437659-2 Bipolar 2-1437659-2 Regulators 2-1437659-2 capacitors 2-1437659-2 atmel 2-1437659-2 chip
2-1437659-2 datasheet pdf 2-1437659-2 dual 2-1437659-2 Type 2-1437659-2 output data 2-1437659-2 Bit
 

 

Price & Availability of 2-1437659-2

All Rights Reserved © IC-ON-LINE 2003 - 2022  

[Add Bookmark] [Contact Us] [Link exchange] [Privacy policy]
Mirror Sites :  [www.datasheet.hk]   [www.maxim4u.com]  [www.ic-on-line.cn] [www.ic-on-line.com] [www.ic-on-line.net] [www.alldatasheet.com.cn] [www.gdcy.com]  [www.gdcy.net]


 . . . . .
  We use cookies to deliver the best possible web experience and assist with our advertising efforts. By continuing to use this site, you consent to the use of cookies. For more information on cookies, please take a look at our Privacy Policy. X
1.5391488075256